建物調査例
井波屋仏壇店(国登録有形文化財)
1階は洋式,2階が和式の和洋折衷様式の建物です。
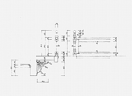
綿密な調査のうえ図面を作成しました。 部分詳細図(石柱,石塔,鋳物レリーフや高欄など)
1階は洋式,2階が和式の和洋折衷様式の建物です。
綿密な調査のうえ図面を作成しました。 部分詳細図(石柱,石塔,鋳物レリーフや高欄など)
笏谷石の石柱
鋳物製レリーフと石柱の取り合い
アールヌーボー様式の鋳物製の高欄
石塔
唐草模様の鋳物製レリーフ
石柱と開口部の取り合い

全体断面図(1階洋風、2階和風の和洋折衷様式の建物)

